SW8G Linear Motion Ball BushingHauptmerkmaleSW8G ist ein Präzisions-Linearkugellager mit selbstausrichtender Bewegung und einem Polyamidharzhalter.Das Linear Ball Bushing-Lager ist selbstausrichtend, leicht und einstellbar und weist einen niedrigen Reibungskoeffizienten auf.Die verschleißfesten Halterungen aus technischem Polymer a
Beschreibung: Peekaboo5 Vollkeramiklager wurden speziell für den Einsatz mit Motorrädern, Straßen-/Mountainbikes und anderen anspruchsvollen Anwendungen entwickelt, bei denen Rollwiderstand und Gewicht reduziert werden sollen.Peekaboo5-Lager verfügen über hochpräzise Siliziumnitrid-Keramikkugeln der Güteklasse 5 und Zirkonoxid-Keramik-ABEC
SpezifikationenIDCRT-24-SBROLLER ODA0,750ROLLENBREITEB0,375STUD-DURCHMESSERC0,190STUD-LÄNGE0,625M.ETE1/4GEWINDEKLASSE 2AF10-32ÖL-LOCH-MITTELG~ÖL-LOCH-DURCHMESSERH~SCHMIER-ANSCHLUSSGRÖSSEJ~HEX-GRÖSSEX1/8MIN.BOSS-DURCHMESSER19/64MONTAGEBOHRUNG0,190DREHMOMENT (IN-LB)7,5
24. Juni 2024242 Stück RB-8860058/RB-8860059/25 Stück POS B 8 NF (große Schmiernippel)/130 Stück CRT-24-SB-95A/500 Stück 176XL037 sind im Büro fertig, werden nach Kanada versendet {[ t0]} Industries liefert verschiedene OEM-Kraftübertragungsteile für den nordamerikanischen und europäischen Markt. Bei Anfragen senden Sie bitte eine Anfrage an: Sunny@
R8-Vollkeramiklager (ID12,7xOD28,575XB6,35)R8-Vollkeramiklager bestehen vollständig aus Keramikmaterial.Keramik ist das perfekte Material für alle Anwendungen, bei denen hohe Temperaturen und korrosive Substanzen, hohe Drehzahlen das Gesamtgewicht reduzieren oder für extrem raue Umgebungen.Vollkeramik b
| Verfügbarkeitsstatus: | |
|---|---|
| Menge: | |
N / A
No Mark
Contact Us
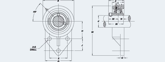
Einheitennummer: SUCTFB 206-20 Lagernummer: SUC 206-20 Gehäusenummer: TFB 206 Gewicht (lbs.): 1,1
Lagereinsatz aus Edelstahl
Endkappen verfügbar
Verfügbare Dichtungsoptionen, abhängig von der Größe:
Dichtungen vom Typ B
Dichtungen vom Typ L3 (Dreilippen) sind in einigen Größen erhältlich
IP69K-Dichtungen (staub- und wasserdicht)
Informationen zu Geschwindigkeitstoleranzen erhalten Sie bei IPTCI.
Gerätenummer: SUCTFB 206-20
Lagernummer: SUC 206-20
Gehäuse-Nr.: TFB 206
Gewicht (lbs.): 1,1
Einheitennummer: SUCTFB 206-20 Lagernummer: SUC 206-20 Gehäusenummer: TFB 206 Gewicht (lbs.): 1,1
Lagereinsatz aus Edelstahl
Endkappen verfügbar
Verfügbare Dichtungsoptionen, abhängig von der Größe:
Dichtungen vom Typ B
Dichtungen vom Typ L3 (Dreilippen) sind in einigen Größen erhältlich
IP69K-Dichtungen (staub- und wasserdicht)
Informationen zu Geschwindigkeitstoleranzen erhalten Sie bei IPTCI.
Gerätenummer: SUCTFB 206-20
Lagernummer: SUC 206-20
Gehäuse-Nr.: TFB 206
Gewicht (lbs.): 1,1